茶馆儿官方正版二维码,天津一品论坛2025,泻火老阿姨2024年最新消息

欢迎访问徐州市优博电子科技有限公司官方网站

手机网站

微信客服

全国统一服务电话

0516-80301997

联系我们

  • 了解更多详细信息,请致电

    0516-80301997

  • 或在线留言

    在线留言

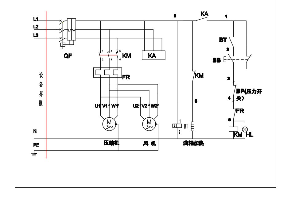
制冷机组电控箱

您的位置:首页 > 产品中心 > 制冷机组电控箱 > ECX-10
prev
next

产品名称:ECX-10

更新时间:2019/3/5 10:36:28


产品详情

STC-200◆   菜单说明:

菜单标识

菜单功能

设定范围

单 位

默认值

F0

控制回差设置

1~15

3

F1

制冷/制热输出延时

0~9

分钟

3

F2

温度设定范围最小值

-40~当前温度设置值

-20

F3

温度设定范围最大值

当前温度设置值~70

20

F4

控制模式

1:制冷,2:制热,3:报警

1

F5

温度校正值

-5~5

0

按键操作说明:

☆ 修改温度设定值:

控制器正常工作时,按下SET键3秒显示当前温度设定值,此时按▲键或▼键调节温度设定值。

☆ 修改参数设定值:

正常工作状态下,同时按住SET和▲持续3秒以上进入修改参数模式,显示第一个菜单项的代码“F0”,按▲键或▼键可上翻或下翻菜单项并显示菜单项的代码。按SET 键显示当前菜单的参数设定值。再按▲键或▼键调节当前菜单的参数设定值。再按SET 键则退回到菜单项显示和调节。

☆ 修改温度设定值或修改参数设定值时,按SET 键持续3秒后保存参数并返回控制状态。

☆ 修改温度设定值或修改参数设定值时,30 秒内如无任何按键操作则保存参数并返回控制状态。

◆ 控制输出:

控制器工作模式为制冷时:当温度≥(设定温度值+控制回差)时制冷开启;

温度≤设定温度值时制冷关闭。

控制器工作模式为制热时:当温度≤设定温度值时制热开启;

温度≥(设定温度值+控制回差)时制热关闭。

控制器工作模式为报警时:温度≥(设定温度值+控制回差)或温度≤设定温度值时报警开启;其它温度范围内报警关闭。

温度传感器故障后显示“EE”并关闭控制输出。

控制器通电后或控制输出关闭后运行完控制输出保护时间才允许控制输出再次开启。


系统代码、原因及动作

代  码

原 因

动 作

EE

温度传感器故障

关闭控制输出

HH

传感器超上限测量范围

正常输出

LL

传感器超下限测量范围

正常输出

EC-301菜单说明

参数

描述

设定范围

出厂设定值

注释

F9

压机启动延时

0~10分钟

0

压缩机关闭后再次开启的最小时间间隔包括首次上电时启动延时

F10

仪表通电超温报警延时

0~24小时

2

通电后,在此设定时间内不发生温度超温报警信号

 

 

 

F11

 

 

 

超温报警值

 

 

 

0~50

 

 

 

5

制冷模式:库温大于开机温度+超温报警值或库温小于停机温度值-超温报警值时报警

制热模式:库温大于停机温度+超温报警值或库温小于开机温度值-超温报警值时报警

F12

超温报警延时

0~120分钟

10

温度超温持续时间持续大于本参数设定的时间才会产生报警

F13

库温传感器温度校正

-10~10

0

当测量的库温有误差时,可通过此参数作为温度校正

F14

制冷制热转换

0~1

0

0:制冷1:制热



上一条:ECX-5080
下一条:ECX-5060M

返回列表

主站蜘蛛池模板: 利津县| 广灵县| 宜城市| 九江市| 宜都市| 山阳县| 罗甸县| 铜鼓县| 隆尧县| 永胜县| 宁安市| 顺义区| 枣强县| 汨罗市| 西乌珠穆沁旗| 河北省| 应城市| 印江| 虎林市| 达尔| 广东省| 镇原县| 永春县| 舞阳县| 台州市| 广西| 阜平县| 孝感市| 永仁县| 贵定县| 辽宁省| 苍梧县| 安徽省| 临泉县| 鄂托克前旗| 郸城县| 扶余县| 堆龙德庆县| 象州县| 彝良县| 泸定县|