茶馆儿官方正版二维码,天津一品论坛2025,泻火老阿姨2024年最新消息

欢迎访问徐州市优博电子科技有限公司官方网站

手机网站

微信客服

全国统一服务电话

0516-80301997

联系我们

  • 了解更多详细信息,请致电

    0516-80301997

  • 或在线留言

    在线留言

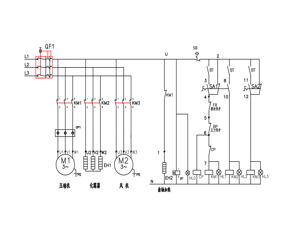
制冷机组电控箱

您的位置:首页 > 产品中心 > 制冷机组电控箱 > EC/AC5080
主站蜘蛛池模板: 农安县| 巢湖市| 垦利县| 肇州县| 龙胜| 新乡市| 墨竹工卡县| 镇远县| 武隆县| 辽阳市| 洮南市| 栖霞市| 仁布县| 泸溪县| 怀仁县| 治多县| 崇信县| 嘉义县| 新源县| 西藏| 神农架林区| 新化县| 比如县| 鄂伦春自治旗| 明水县| 泽库县| 昌邑市| 若羌县| 土默特右旗| 宾川县| 九台市| 和龙市| 哈尔滨市| 商丘市| 安新县| 柏乡县| 莆田市| 松滋市| 竹溪县| 库车县| 扶余县|